Bơm nước thải chìm không tắc nghẽn được thiết kế để hoạt động dưới môi trường chất lỏng, cho phép vận chuyển ở mức thấp. Thiết kế cấu trúc của chúng bao gồm cấu trúc dạng công xôn trục dài. Độ sâu ngâm phải được giới hạn nghiêm ngặt ở mức 2 mét, vì vượt quá ngưỡng này sẽ làm giảm đáng kể hiệu suất. Tuy nhiên, thách thức chính nằm ở thiết kế của trục mềm. Trong quá trình vận hành, ổ trục chịu mài mòn một chiều liên tục, dẫn đến rung động ổ trục và làm trầm trọng thêm chu kỳ mài mòn, dẫn đến tỷ lệ hỏng hóc cao liên tục. Hơn nữa, các bộ phận dễ bị mài mòn chủ yếu nằm dưới môi trường chất lỏng, khiến việc tháo lắp và bảo trì trở nên cực kỳ khó khăn.
Sự phát triển của bơm tự mồi đánh dấu một bước tiến đột phá so với các hệ thống bơm truyền thống. Thứ nhất, loại bơm này loại bỏ trục dài và ổ trục phức tạp thường thấy ở bơm nước thải chìm không bị tắc nghẽn. Thứ hai, các bộ phận chính của bơm vẫn nằm trên mặt đất, không có bộ phận cơ khí nào bị chìm trong môi trường vận chuyển. Thiết kế này cho phép bảo trì và sửa chữa nhanh chóng và dễ dàng hơn. Hơn nữa, bơm tự mồi còn cải thiện đáng kể chiều cao nâng, với lực hút tối đa đạt khoảng 7 mét (cao hơn trong các cấu hình chuyên dụng), đánh dấu một bước nhảy vọt về chất lượng so với bơm nước thải chìm không bị tắc nghẽn.
Bơm tự mồi hoạt động theo nguyên lý độc đáo, sử dụng cánh bơm và đĩa tách được cấp bằng sáng chế để tách khí-lỏng cưỡng bức trong quá trình hút. Thiết kế, kích thước, trọng lượng và hiệu suất của bơm rất giống với bơm đường ống. Bơm này không yêu cầu các thiết bị phụ trợ như van chân, van chân không hoặc bộ tách khí. Trong quá trình vận hành bình thường, bơm không cần mồi chất lỏng, sở hữu khả năng tự mồi vượt trội, thay thế hiệu quả các loại bơm nước thải chìm không bị tắc nghẽn (bơm chuyển chất lỏng mức thấp) được sử dụng rộng rãi. Bơm cũng có thể được sử dụng làm thiết bị phụ trợ cho các bộ tách, bơm chuyển bồn, bơm đường ống tự mồi và bơm động cơ.
Một ưu điểm khác của bơm tự mồi, hay còn gọi là tính năng chính của nó, là sau khi buồng bơm được đổ đầy chất lỏng ban đầu, bơm có thể chạy khô trực tiếp để hút môi chất vào bơm (với thời gian chạy khô không quá 7 phút). Điều này giúp ngăn ngừa tai nạn do vận hành ngoài ý muốn có thể làm cháy động cơ trong quá trình chạy khô, giảm đáng kể rủi ro vận hành đồng thời nâng cao hiệu suất của bơm.
Ưu và nhược điểm của máy bơm nước thải chìm không tắc nghẽn
Thuận lợi
1. Máy bơm nước thải chìm không bị tắc được lắp trực tiếp vào nơi lưu trữ chất cần vận chuyển, không cần thêm diện tích sàn.
2. Máy bơm nước thải chìm truyền thống không bị tắc nghẽn được trang bị cánh bơm ly tâm cân bằng kép độc đáo, cung cấp môi trường sạch chứa các hạt rắn với độ rung và tiếng ồn cực thấp trong khi vẫn duy trì hiệu suất cao. Khi sử dụng cánh bơm cân bằng kép kiểu hở, máy bơm có thể vận chuyển hiệu quả các chất lỏng bị ô nhiễm chứa các hạt rắn và sợi ngắn, đảm bảo hoạt động trơn tru mà không bị tắc nghẽn.
Nhược điểm
1. Cần tăng dung tích bồn trung gian và phải kiểm soát mức chất lỏng trong bồn trung gian trong quá trình vận hành;
2. Việc bảo trì phức tạp và đòi hỏi phải thay thế phớt thường xuyên.
3. Tỷ lệ bảo trì cao và chi phí cao;
4. Cần không khí kín;
5. Máy bơm nước thải chìm không bị tắc nghẽn truyền thống không thích hợp để vận chuyển các vật liệu dễ cháy và nổ.
6. Loại máy bơm nước thải ngập nước không bị tắc nghẽn mới không thích hợp để vận chuyển các vật liệu có tính ăn mòn cao cùng với các hạt.
Máy bơm nước thải chìm không tắc nghẽn có những ưu và nhược điểm riêng, thậm chí còn có nhiều nhược điểm hơn ưu điểm. Đồng thời, nhiều ngành công nghiệp hiện nay đã cấm sử dụng máy bơm nước thải chìm không tắc nghẽn và thay thế bằng máy bơm tự hút, điều này có thể không hoàn toàn do khó khăn trong việc bảo trì do cấu trúc riêng của chúng.
Nguyên nhân gây ra tiếng ồn lớn của máy bơm nước thải chìm không bị tắc nghẽn
1. Các khía cạnh cơ học
Khối lượng không cân bằng của các bộ phận quay của máy bơm nước thải chìm không tắc FRP, chất lượng sản xuất thô kém, chất lượng lắp đặt kém, trục của thiết bị không đối xứng, độ dao động vượt quá giá trị cho phép, độ bền cơ học và độ cứng của các bộ phận kém, bộ phận ổ trục và phớt bị mòn và hư hỏng, v.v., sẽ tạo ra rung động mạnh.
2. Chất lượng của máy bơm nước và các khía cạnh khác
Thiết kế kênh dẫn nước vào không hợp lý sẽ làm suy giảm chất lượng nước vào và tạo ra dòng xoáy, dẫn đến rung động trục dài. máy bơm nước thải chìm không bị tắc nghẽn. Độ lún không đều của nền móng hỗ trợ máy bơm nước thải ngập nước không bị tắc nghẽn và động cơ cũng sẽ dẫn đến rung động.
3. Nguyên nhân gây hư hỏng ổ trục của máy bơm nước thải chìm không bị tắc
Vòng bi bị hỏng do bơm nước thải chìm không bị tắc hoạt động trong thời gian dài, khiến dầu bôi trơn bị khô. Hãy cẩn thận xác định nguyên nhân gây ra tiếng ồn và thay vòng bi mới.
4. Do yếu tố thủy lực gây ra
Nguyên nhân phổ biến nhất gây ra rung động của máy bơm nước thải chìm không bị tắc là hiện tượng xâm thực và biến động áp suất trong đường ống.
5. Các khía cạnh về điện
Động cơ là thiết bị chính của máy. Sự mất cân bằng từ tính bên trong động cơ và sự mất cân bằng của các hệ thống điện khác thường gây ra rung động và tiếng ồn.
6. Nguyên nhân khiến cánh bơm chìm nước thải không bị rung
Đai ốc cánh bơm nước thải chìm chống ăn mòn không bị tắc nghẽn bị rung do bị ăn mòn hoặc lật đổ, khiến cánh bơm chuyển động đáng kể, gây ra rung động và tiếng ồn quá mức.
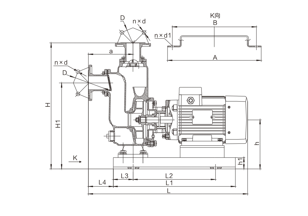
Biện pháp phòng ngừa và sơ đồ lắp đặt cho máy bơm tự hút
Ghi chú lắp đặt cho máy bơm tự mồi
1. Trước khi lắp đặt bơm tự mồi, hãy xây dựng móng bê tông phù hợp với kích thước đế bơm, đồng thời lắp đặt sẵn bu lông neo trong quá trình lắp đặt. Móng này được thiết kế riêng cho bơm tự mồi cỡ lớn, vì các model nhỏ hơn không yêu cầu móng như vậy.
2. Trước khi lắp đặt máy bơm tự mồi, hãy kiểm tra cẩn thận tất cả các bu lông xem có bị lỏng không và kiểm tra thân máy bơm xem có vật lạ nào không để tránh làm hỏng cánh bơm trong quá trình vận hành.
3. Đặt bơm tự mồi lên nền bê tông, đặt một tấm đệm cách ly giữa tấm đế và nền, sau đó điều chỉnh chiều cao của tấm đệm để bơm nằm ngang. Sau khi điều chỉnh, siết chặt các bu lông.
4. Ống hút và ống xả của bơm tự mồi không được tự thân bơm chống đỡ. Thay vào đó, chúng cần có giá đỡ riêng biệt để đảm bảo căn chỉnh chính xác. Đường kính của cả ống đầu vào và đầu ra phải phù hợp với thông số kỹ thuật của bơm, đặc biệt chú ý đến ống đầu vào. Bất kỳ sự giảm đường kính nào trong quá trình lắp đặt đều sẽ ảnh hưởng đến chiều cao tự mồi của bơm. Nếu ống đầu vào được lắp đặt với đường kính nhỏ hơn, ống đầu ra cũng phải được giảm tương ứng. Chúng tôi khuyến nghị sử dụng ống có đường kính phù hợp với thông số kỹ thuật tiêu chuẩn của nhà sản xuất để đạt hiệu suất tối ưu.
5. Khi gặp phải một máy bơm tự mồi Có nắp che bụi ở đầu vào/ra, hãy tháo nắp che và kết nối với đường ống. Lưu ý rằng nếu sử dụng bơm tự mồi có khả năng hút nước nhanh, ống xả phải được kéo dài theo chiều thẳng đứng lên trên ít nhất 1 mét trước khi uốn cong. Nếu không, nước trong thân bơm có thể bị xả hết trong quá trình mồi.
6. Để thuận tiện cho việc bảo trì và an toàn vận hành, nên lắp đặt van điều chỉnh ở cả đầu vào và đầu ra của bơm tự mồi. Ngoài ra, cần đặt đồng hồ đo áp suất giữa van đầu ra và bơm để đảm bảo bơm hoạt động trong phạm vi lưu lượng và cột áp định mức, từ đó đảm bảo hoạt động bình thường và kéo dài tuổi thọ của bơm.
7. Trước khi khởi động bơm tự mồi sau khi lắp đặt, hãy xoay trục bơm và đổ đầy chất lỏng vào khoang bơm để đảm bảo thoát nước hoàn toàn. Kiểm tra rò rỉ và đảm bảo cánh bơm không bị ma sát hoặc kẹt. Nếu phát hiện bất kỳ sự cố nào, hãy tháo rời bơm để chẩn đoán và khắc phục sự cố.
Các biện pháp phòng ngừa khi sử dụng máy bơm tự hút
1. Trước khi sử dụng bơm tự mồi, hãy đảm bảo khoang bơm được đổ đầy chất lỏng. Tuyệt đối không chạy bơm khô. Tuy nhiên, nếu bơm được thiết kế để vận hành khô, có thể sử dụng mà không cần chất lỏng.
2. Trước khi sử dụng bơm tự mồi, hãy mở cả van đầu vào và đầu ra. Sau khi kết nối nguồn điện, nhấn nút khởi động để kiểm tra xem động cơ có quay đúng hướng như chỉ dẫn không.
3. Van xả của bơm tự hút không được đóng hoàn toàn khi đang sử dụng. Nếu cần dừng cấp chất lỏng, hãy đóng van nạp, nhưng thời gian đóng không được quá 2 phút. Nếu quá 2 phút, hãy dừng máy để tránh làm hỏng bơm tự hút.
4. Sau khi dừng bơm tự mồi, đóng hoàn toàn cả van đầu vào và đầu ra. Đối với môi trường dễ bị đông đặc, trước tiên hãy đóng van đầu vào và để bơm chạy trong 1-2 phút để xả hết chất lỏng ra khỏi buồng bơm.
Nguyên nhân và giải pháp khắc phục sự cố máy bơm tự hút
1. Máy bơm tự mồi không hút được nước vì ống hút không được bịt kín đúng cách, khiến máy bơm luôn ở trạng thái hút khí liên tục.
Giải pháp: Kiểm tra đường ống đầu vào của bơm tự hút và sửa chữa các điểm rò rỉ của gioăng, chẳng hạn như vị trí hàn, mối nối ống và các vị trí nghi ngờ rò rỉ khác. Kiểm tra cẩn thận, ví dụ, bạn có thể chạy máy trong khoảng 5 phút rồi dừng lại. Nghe tiếng hút gần đường ống.
2. Sau một thời gian sử dụng, bơm tự hút sẽ bị ăn mòn hoặc hao mòn, phớt cơ khí sẽ bị rò rỉ nước, đây chính là nguyên nhân khiến bơm tự hút không thể hút được nước.
Giải pháp: Thay thế bộ phận bị hỏng bằng bộ phận mới.
3. Nguyên nhân khiến máy bơm tự hút không hút được nước là do đường ống hoặc van đáy hoặc thậm chí thân máy bơm bị tắc do lượng tạp chất lớn trong chất lỏng được vận chuyển.
Giải pháp: Tìm điểm tắc nghẽn cụ thể và dọn sạch mảnh vụn để giải quyết vấn đề.
4. Việc lắp đặt đường ống nhập khẩu không đúng cách, chẳng hạn như sử dụng quá nhiều cút nối (số lượng cút nối nên được kiểm soát ở mức 1-2), hoặc sử dụng cút nối 45 độ khi có hai cút nối, có thể khiến bơm tự mồi không hút được nước. Ngoài ra, việc tự ý tăng đường kính đường ống mà không phù hợp với thông số kỹ thuật của bơm cũng có thể dẫn đến sự cố này.
5. Nếu bơm tự mồi không hút được nước trong lần vận hành thứ hai sau lần hút đầu tiên, điều đó cho thấy có khí đã lọt vào thân bơm. Điều này thường xảy ra khi ống xả không có van một chiều, khiến không khí đi vào qua kết nối khí quyển. Sau khi tắt máy, nước có thể chảy ngược và không khí có thể bị kẹt bên trong. Để khắc phục điều này, bơm phải được mồi nước trước khi khởi động lại để xả hết khí bị kẹt và đảm bảo lượng nước nạp vào đầy đủ.
Giải pháp cho loại máy bơm tự mồi này là lắp van cầu ở đầu ra và đóng van đầu ra trước khi dừng máy bơm.
6. Khi lắp đặt và sử dụng máy bơm tự mồi, chiều cao hút nước vượt quá chiều cao hút cho phép của máy bơm.
Nên thay thế máy bơm tự mồi bằng máy bơm có chiều cao tự mồi cao hơn hoặc sử dụng máy bơm nước thải ngập nước không bị tắc nghẽn.



Hướng dẫn vận hành và bảo trì máy bơm nước thải ngập nước không bị tắc nghẽn
Hướng dẫn vận hành và lưu ý
1.Trước khi vận hành, hãy kiểm tra cẩn thận xem máy bơm và động cơ có bị hư hỏng không, cũng như tình trạng của các bộ phận cố định.
2.Xoay bơm để kiểm tra xem có tiếng kêu mài mòn không, đồng thời kiểm tra độ đồng tâm của trục bơm và trục động cơ. Độ lệch hình trụ của hai khớp nối không được vượt quá 0,5mm.
3.Đường ống nối với cửa xả chất lỏng phải được đỡ riêng, trọng lượng của đường ống không được phép đặt lên thân bơm.
4.Ngoại trừ những trường hợp đặc biệt, máy bơm phải được trang bị tủ điều khiển bơm hoàn toàn tự động. Tuyệt đối không kết nối trực tiếp với lưới điện hoặc sử dụng công tắc dao để đảm bảo hoạt động bình thường.
5.Không nên để máy bơm luôn chạy ở mức cột áp thấp. Thông thường, cột áp làm việc không được thấp hơn 60% cột áp định mức và nên được kiểm soát tốt hơn trong phạm vi cột áp làm việc được đề xuất, để tránh cháy động cơ do máy bơm quá tải.
BẢO TRÌ
1.Máy bơm phải được quản lý và vận hành bởi một người chuyên trách, người này sẽ thường xuyên kiểm tra mạch điện và tình trạng hoạt động của máy bơm.
2.Mỗi lần sau khi sử dụng, đặc biệt là sau khi sử dụng để xử lý chất lỏng có độ nhớt cao, hãy để máy bơm chạy trong nước sạch trong vài phút để tránh cặn bẩn bám vào bên trong máy bơm và giữ cho máy bơm sạch sẽ.
3.Thông thường, sau 300-500 giờ làm việc, hãy đổ đầy hoặc thay dầu trong buồng bằng dầu 10-30#, do đó duy trì khả năng bôi trơn tốt tại phớt cơ khí và cải thiện tuổi thọ của phớt cơ khí.
4.Vòng đệm giữa cánh bơm và thân bơm có tác dụng bịt kín, nếu bị hỏng có thể ảnh hưởng trực tiếp đến hiệu suất hoạt động của bơm và cần phải thay thế nếu cần thiết.

